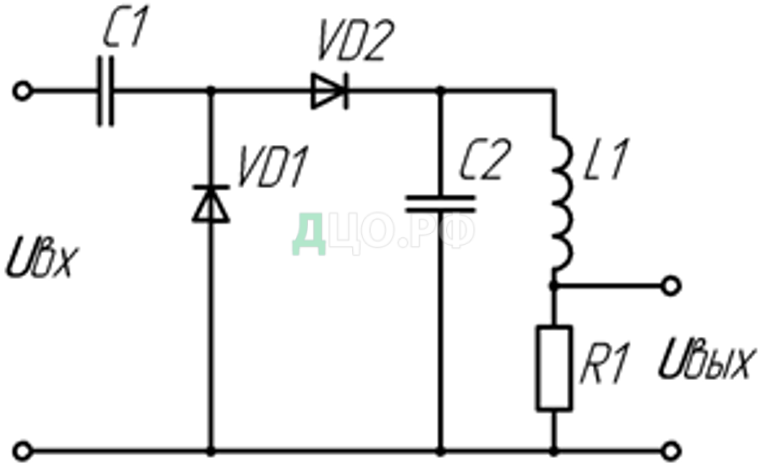
Исходные данные:
или напишите нам прямо сейчас:
⚠️ Пожалуйста, пишите в MAX или заполните форму выше.
В России Telegram и WhatsApp блокируют - сообщения могут не дойти.
С1 = 0,2
R1 = 5
L1 = 0,05
VD1 – идеальный диод
Uвх = 10sin(10w0t)(1 + sin(w0t))
w0 = 1
Задание:
1. Рассчитать переходный процесс в схеме при подаче Uвх при нулевых начальных условиях.
1.1. Построить график изменения выходного напряжения во времени. Определить время переходного процесса.
1.2. На одном рисунке изобразить зависимости тока и напряжения на диоде VD1.
1.3. На одном рисунке изобразить зависимости тока и напряжения на диоде VD2.
2. Рассчитать установившийся процесс в схеме.
2.1. Определить постоянную составляющую выходного напряжения.
2.2. Определить амплитуду первой, второй и десятой гармоник выходного напряжения.
или напишите нам прямо сейчас:
⚠️ Пожалуйста, пишите в MAX или заполните форму выше.
В России Telegram и WhatsApp блокируют - сообщения могут не дойти.
Прикрепленные файлы: |
|
|---|---|
|
Администрация сайта не рекомендует использовать бесплатные работы для сдачи преподавателю. Эти работы могут не пройти проверку на уникальность. Узнайте стоимость уникальной работы, заполните форму ниже: Узнать стоимость |
|
Скачать файлы: |
|
|
|

