или напишите нам прямо сейчас:
⚠️ Пожалуйста, пишите в MAX или заполните форму выше.
В России Telegram и WhatsApp блокируют - сообщения могут не дойти.
2. ПРОЕКТНО-ТЕХНОЛОГИЧЕСКИЙ РАЗДЕЛ
2.1 Разработка технического задания на проектирование
или напишите нам прямо сейчас:
⚠️ Пожалуйста, пишите в MAX или заполните форму выше.
В России Telegram и WhatsApp блокируют - сообщения могут не дойти.
Следует отметить, что повышение расчетной температуры подаваемой воды сокращает требуемый расход теплоносителя (так, для температурного графика =150/70 для подведения определенного количества теплоты потребуется транспортировать меньшее количество воды, чем для температурного графика =95/70 ), т.е. позволяет уменьшить диаметры трубопроводов и сократить расходы электроэнергии на перекачку воды. Это подчеркивает экономическую целесообразность применения теплоносителя с повышенными параметрами в системах централизованного теплоснабжения. В качестве теплоносителя выбираю горячую воду с температурой:
— в подающем трубопроводе ;
— в обратном трубопроводе .
Применение в подающей линии температуры воды выше 150 требует проведения технико-экономического обоснования.[1]
Параметры пара на источнике принимаем с учетом потерь давления в и температуры при транспорте.[1]
В водяных системах применяется горячая вода температурой до 100 0С, перегретая вода – 100-200 0С. Вода температурой свыше 150 0С используется только технологическими потребителями для горячего водоснабжения, температура воды по СНиП должна быть не выше 65 0С.
Параметры пара в системах пароснабжения определяются требующейся температурой в технологических процессах tт.п. Принимая минимальный необходимый перепад температур в технологическом аппарате, определяем температуру греющего пара tг.п, по которой находят давление греющего пара у потребителя:
tг.п = tт.п+ Δtmin = 195+ 5 = 200 оС , где Δtmin=5-10 оС. (2.1)
Основное значение любой системы теплоснабжения состоит в обеспечении потребителей необходимым количеством теплоты требуемого качества.
При выборе системы теплоснабжения учитываются технические и экономические показатели по всем элементам: источнику теплоты, сети, абонентским установкам.
В данном курсовом проекте необходимо выбрать систему теплоснабжения для промышленного предприятия и 2 жилых районов. Наиболее рациональным является выбор централизованной системы теплоснабжения, т.к. с уменьшением числа источников теплоснабжения, повышается экономичность выработки теплоты и снижаются начальные затраты и расходы по эксплуатации источников теплоснабжения.
В качестве источника централизованного теплоснабжения принимаем производственно-отопительную котельную, обеспечивающую теплотой промышленное предприятие и 2 жилых района. Выбор связан с тем, что применение экономически более выгодного источника теплоты — теплоэлектроцентрали невозможно ввиду небольших тепловых и электрических нагрузок. Котельная будет покрывать нужды отопления, вентиляции и горячего водоснабжения жилых районов и промышленного предприятия, кроме того, она будет отпускать пар на технологические нужды предприятия.
В зависимости от числа трубопроводов, используемых для теплоснабжения данной группы потребителей, водяные системы делятся на одно-, двух-, трех- и многотрубные. В данном курсовом проекте выбираем двухтрубную водяную систему, в которой тепловая сеть состоит из двух трубопроводов: подающего и обратного. По подающему трубопроводу горячая вода подводится от станции к абонентам, по обратному трубопроводу охлажденная вода возвращается к котельной. Эти системы по сравнению с многотрубными требуют меньших начальных вложений и дешевле в эксплуатации.
Водяные системы теплоснабжения применяются: закрытые и открытые. Выбираем закрытую систему теплоснабжения (в соответствии с заданием), в ней сетевая вода используется только в качестве теплоносителя, но из сети не отбирается. Преимущество закрытой системы – гидравлическая изолированность водопроводной воды, поступающей в установки горячего водоснабжения, от воды, циркулирующей в тепловой сети. Обеспечивается стабильное качество горячей воды, поступающей в установки горячего водоснабжения, такое же, как качество водопроводной воды.
В зависимости от характера тепловых нагрузок абонента и режима тепловой сети выбираются схемы присоединения абонентских установок к тепловой сети. Присоединение нагрузки ГВС – независимое. Для отопления принимаем зависимую схему присоединения отопительных установок с элеваторным смешением. Основными преимуществами элеватора как смесительного устройства являются простота и надежность работы. В условиях эксплуатации элеватор не требует постоянного обслуживания. Достоинство закрытой схемы – это простота и дешевизна, и при этом может быть получен несколько больший перепад температур сетевой воды в абонентской установке. Увеличение перепада температур воды уменьшает расход теплоносителя в сети, что может привести к снижению диаметров сети и экономии на начальной стоимости тепловой сети и на эксплуатационных расходах.
Для покрытия технологической нагрузки промышленного предприятия применяем паровую централизованную систему, она должна включать в себя систему сбора и возврата конденсата.
Паровую систему предусматриваем однотрубную с возвратом конденсата. Пар по паровой сети транспортируется к тепловым потребителям. Конденсат возвращается от потребителя в котельную по конденсатопроводу. На случай аварийной ситуации предусматриваем резервную подачу пара в сеть через редукционно-охладительную установку. Сбор конденсата от теплоприемников и возврат его к источнику теплоты имеет важное значение для надежности работы котельной установки и для экономии теплоты и общей экономичности системы теплоснабжения в целом. Систему сбора и возврата конденсата принимаем закрытую.
Коэффициент возврата конденсата примем . Температура возвращаемого конденсата .
Технологические потребители к паровым системам теплоснабжения присоединяются непосредственно.
Теперь определимся со схемой присоединения абонентов. Независимое присоединение нагрузки ГВС уже принято, так как выбран закрытый тип системы теплоснабжения. Для отопления принимаем зависимую схему согласно с рекомендациями [1]. Исходим при этом из следующих соображений:
- Зависимая схема дешевле и проще (в регулировании и в расчёте);
- Наш температурный график (150/70) обуславливает максимальное давление воды в сети около 4 атмосфер, тогда как допустимое давление в самых распространённых в РФ отопительных приборах (чугунных радиаторах) 6 атмосфер. То есть жёсткая гидравлическая связь сети с приборами, являющаяся основным недостатком зависимой схемы, работе нашей сети не помешает.
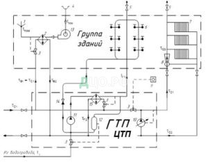
Все три вида нагрузки присоединяем к тепловой сети параллельно. То есть расход теплоносителя будет складываться из суммы его расходов на отдельные виды нагрузки. Всё необходимое для работы оборудование, по возможности, будем располагать в центральных тепловых пунктах (ЦТП). Что благоприятно скажется на уровне шума и упростит обслуживание установок. Принципиальная схема такого ЦТП приведена на рис. 3.1.

Рисунок 3.1 – Принципиальная схема ЦТП
1 – воздухораспределитель; 2 – калорифер; 3 – регуляторы расхода (по давлению и температуре); 4 – воздухозаборник; 5 – воздушник; 6 – стояки водоразборных кранов; 7 – нагревательные приборы; 8 – элеватор; 9 – моделирующее устройство (импульс температуры наружного воздуха); 10 – регулируемый циркуляционный насос; 11 – циркуляционный насос; 12 – бак-аккумулятор; 13 – ЦБ вентилятор; 14 – обратный клапан; 15 – подогреватель ГВС
Рисунок 3.2 – Однотрубная паровая система с возвратом конденсата
1 – паровой котёл; 2 – РОУ; 3 – технологический потребитель; 4 – конденсатоотводчик; 5 – кондесатосборник; 6 – насос; 7 – обратный клапан; 8 – деаэратор
Данный раздел необходим для определения графика изменения температур в подающем и обратном трубопроводе в зависимости от температуры наружного воздуха.
Исходные данные для расчета:
- температура теплоносителя в подающем трубопроводе,
Принято ;
- температура теплоносителя в обратном трубопроводе,
Принято ;
- температура после абонентского ввода [2],
Для зависимых систем ;
- температура воздуха внутри помещения по [4],
По [4] для общественных и административных зданий температура внутри помещения должна находиться в пределах 18-20 . В дальнейших расчетах примем расчётную температуру внутри помещений равной ;
- расчетная температура наружного воздуха в целях отопления по [3], .
В соответствии с заданием .
Регулирование отпуска теплоты в водяных системах теплоснабжения предусматривается: центральным – на источнике теплоты, групповым – в центральном тепловом пункте, индивидуальным – в индивидуальных тепловых пунктах [9].
В паровых системах теплоснабжения регулирование отпуска теплоты местное, непосредственно у потребителей [9].
Для водяных тепловых сетей следует принимать, качественное регулирование отпуска теплоты по нагрузке отопления или по совмещенной нагрузке отопления и горячего водоснабжения согласно графику изменения температуры воды в зависимости от температуры наружного воздуха [9].
В паровых системах теплоснабжения регулирование отпуска теплоты местное, непосредственно у потребителей. Регулирование заключается в изменении температуры конденсации посредством дросселирования или изменением времени работы отопительных приборов (пропусками).
При центральном качественном регулировании в системах теплоснабжения с преобладающей жилищно-коммунальной нагрузкой следует принимать регулирование по совмещенной нагрузке отопления и горячего водоснабжения, а при тепловой нагрузке жилищно-коммунального сектора менее 65 % от суммарной тепловой нагрузки и доле средней нагрузки горячего водоснабжения менее 15% от расчетной нагрузки отопления – регулирование по нагрузке отопления [9].
В данном курсовом проекте в соответствии с заданием принимаем центральное качественное регулирование по отопительной нагрузке.
Центральный качественный метод представляет собой регулирование отпуска теплоты за счёт изменения температуры теплоносителя на входе в систему (при неизменном расходе теплоносителя) и может обеспечить более стабильный тепловой режим, нежели количественный метод.
При центральном качественно-количественном регулировании отпуска теплоты для подогрева воды в системах горячего водоснабжения потребителей температура воды в подающем трубопроводе должна быть для закрытых систем теплоснабжения – не менее 70 оС [9].
При > регулирование отопительной нагрузки не осуществляется.
Таблица 4.1 – Результаты расчета регулирования отпуска теплоты
| Расчетные параметры | Температуры наружного воздуха, | ||||||||
| 8 | 0 | -5 | -10 | -14 | -18 | -25 | -30 | -32 | |
| , , | 0,231
54,92
36,45
42,22 | 0,385
75,06
44,29
53,91 | 0,481
87,24
48,78
60,80 | 0,577
99,19
53,04
67,46 | 0,654
108,62
56,32
72,66 | 0,731
117,96
59,50
77,76 | 0,865
134,09
64,86
86,49 | 0,962
145,47
68,55
92,59 | 1,0
150
70
95
|
Рисунок 4.1 – Температурные графики качественного регулирования отопительной нагрузки
от температур наружного воздуха
1- температура теплоносителя в подающей линии тепловой сети;
2 — температура теплоносителя после отопительной установки;
3- температура воды после смесительного устройства.
Подрегулирование системы горячего водоснабжения
Для того чтобы выполнить подрегулирование системы горячего водоснабжения необходимо определить следующие параметры (методика расчета взята в соответствии с [9]).
Расчет при других температурах наружного воздуха ведется аналогично. Результаты сводятся в таблицу 4.2.
Таблица 4.2 – Результаты определения фактической температуры горячей воды
| Расчетные параметры | Температуры наружного воздуха, | |||||||||
| 8 | 2 | 0 | -5 | -10 | -14 | -18 | -25 | -30 | -32 | |
| Wгв, кВт/0С WБ, кВт/0С Wм, кВт/0С ,
| 1013,1 1013,1 711,2 0,771 35653,3 34,9 34,8 | 1013,1 1013,1 711,2 0,771 35653,3 34,9 34,8 | 816,3 816,3 711,2 0,714 35552 31,5 31,5 | 597,2 711,2 597,2 0,723 35531 27,7 27,7 | 484,5 711,2 484,5 0,779 35561 25,8 25,8 | 420,2 711,2 420,2 0,817 35558,1 24 24 | 370,6 711,2 370,6 0,849 35542,3 22 22 | 307,4 711,2 307,4 0,896 35560,3 18,4 18,4 | 273,8 711,2 273,8 0,925 35559,6 15,6 15,6 | 262,4 711,2 262,4 0,935 35570,3 14,5 14,5 |
Рисунок 4.2 – График качественного регулирования температуры воды на ГВС по отопительной нагрузке от температур наружного воздуха
Рисунок 4.3 – График качественного регулирования расхода воды на бытовую нагрузку по отопительной нагрузке от температур наружного воздуха
Подрегулирование системы вентиляции
Расчет ведем согласно указаниям, представленным в [9]. Подрегулирование системы вентиляции рассчитаем для жилого района.
Расчет при других температурах наружного воздуха ведется аналогично.
Результаты расчетов сведены в таблицу 4.3
Таблица 4.3 – Результаты определения фактической температуры воды
| Расчетные параметры | Температуры наружного воздуха, | |||||||||
| 8 | 2 | 0 | -5 | -10 | -14 | -18 | -25 | -30 | -32 | |
| α WВ/WВозд Wв, кВт/0С QВ, кВт , | 4,7 0,24 8,12 406,2 20
| 3,3 0,515 17,43 609,3 35,0 | 3,3 0,525 17,77 677 37,0 | 3,2 0,55 18,62 846,25 41,8 | 3,1 0,575 19,46 1015,5 47 | 3,1 0,59 19,97 1150,9 51,0 | 3,1 0,607 20,55 1286,3 55,4
| 3,0 0,63 21,33 1523,3 62,7 | 3,0 0,644 21,80 1692,5 67,8 | 3,0 0,65 22,0 1760,2 70 |
Рисунок 4.3 – График качественного регулирования температуры воды на вентиляцию по отопительной нагрузке от температур наружного воздуха
Рисунок 4.3 – График качественного регулирования расхода воды на вентиляцию по отопительной нагрузке от температур наружного воздуха
- Расчет основных параметров проектируемой системы или объекта
Для проведения гидравлического расчета тепловой сети необходимо выбрать схему теплоснабжения потребителей.
Как было принято ранее, тепловая сеть для теплоснабжения жилых районов и промпредприятия – закрытая водяная двухтрубная.
Так как надземные теплопроводы долговечнее и более ремонтопригодны по сравнению с подземными, то для теплоснабжения промышленного предприятия применяется надземный способ прокладки тепловой сети. Для теплоснабжения жилых районов из архитектурных соображений применяется подземная прокладка тепловой сети в непроходных каналах.
Для снабжения потребителей теплотой применяется радиальная схема тепловой сети, а для жилых районов радиальная разветвленная. Преимущество схемы в том, что такая сеть наиболее дешевая по начальным затратам, требует наименьшего расхода металла на сооружение и проста в эксплуатации.
На основе принятых видов и способов прокладки тепловой сети производится ее гидравлический расчет.
Целью гидравлического расчета является определение диаметров трубопроводов и определение падений давления (напора) в различных точках сети.
Исходными данными для расчета являются:
— схема тепловой сети (с указанными на ней длинами участков);
Рисунок 7.1 – Схема тепловой сети
Суммарный расчётный расход теплосети
G = GПП + GЖР1 + GЖР2 = 153,4+98,07+155,4 = 406,9 кг/с
Результаты гидравлического расчета сведём в таблицу 7.1
Таблица 7.1 – Результаты гидравлического расчета водяной сети
| Участок | Расход воды, G,кг/с | Длина l,м | Диаметр, мм | Скорость воды , м/с | Коэффициент трения
|
| 1 | 2 | 3 | 4 | 5 | |
| Магистраль И – ТК1–ТК2 – ЖР2 | |||||
| Участок И-ТК1 | 406,9 | 3 400 | 612 | 1,46 | 0,0186 |
| Участок ТК1-ТК2 | 253,5 | 2 000 | 466 | 1,57 | 0,0199 |
| Участок ТК2-ЖР2 | 155,4 | 2 600 | 408 | 1,25 | 0,0206 |
| Ответвление | |||||
| ТК1-ПП | 153,4 | 1 300 | 259 | 3,07 | 0,023 |
| ТК2-ЖР1 | 98,07 | 1 500 | 259 | 1,96 | 0,023 |
Исходными данными при гидравлическом расчете паровых сетей являются параметры пара у потребителя и на источнике системы теплоснабжения.
Исходные данные:
– Тепловая нагрузка на технологию
– Коэффициент возврата конденсата ;
– Температура возвращаемого конденсата ;
– Давление пара на источнике МПа.
– Давление и температура пара у потребителя, соответственно МПа,
или напишите нам прямо сейчас:
⚠️ Пожалуйста, пишите в MAX или заполните форму выше.
В России Telegram и WhatsApp блокируют - сообщения могут не дойти.
